Pillow Block Bearings 101 - The Basics
A pillow block bearing is one of the most common mounted bearing configurations in industrial use. If you’re specifying one for the first time, replacing a failed unit, or trying to make sense of a part number, this post covers what you need to know.
4/6/20268 min read


My post content
What a Pillow Block Bearing Is
A pillow block bearing is a self-contained unit combining an insert bearing and a housing in a single assembly. The housing bolts to a flat surface and supports a rotating shaft from below. That’s the whole job.
The design traces back to the Industrial Revolution, when early cast iron and bronze shaft supports were hand-fitted to mill and factory machinery. By the 1920s, ball bearing inserts had replaced friction-based designs, roughly doubling service life. Post-WWII standardization efforts produced the ISO-compliant housing dimensions still in use today. The basic concept hasn’t changed much since. It’s a proven design.
The insert and housing ship as a unit. When you order a replacement, you’re getting both unless you specify otherwise.
Where Pillow Blocks Are Used
Pillow blocks are used when a shaft needs external support and easy replacement. They’re common in conveyors, fans, agricultural equipment, and light to medium-duty power transmission systems. For heavier loads or large shaft diameters, split housings (plummer blocks) are typically used instead.
Basic Construction
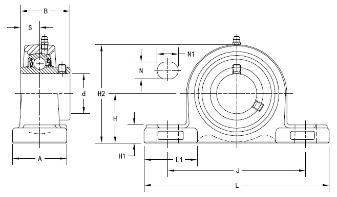
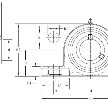
Every pillow block has three components: the insert bearing, the housing, and the locking mechanism that secures the bearing to the shaft. The insert is a deep groove ball bearing with a wide inner ring designed to accept a locking device. The housing is a one-piece cast body with a mounting base and a bore that holds the insert. The locking mechanism is either a set screw or an eccentric collar, covered in detail below. Most pillow blocks also include a grease zerk (also called a grease fitting or grease nipple) on the housing for field relubrication.
Insert Types
The first characters in the part number identify the insert type, which determines how the bearing mounts to the shaft.
UC (standard set screw or eccentric collar insert) is the most common. Wide inner ring with a spherical outer diameter that allows self-alignment in the housing. This is what you’ll see in the majority of general-purpose pillow blocks. Example: UCP205-16 (two-bolt pillow block, 1-inch bore, set screw).
UK (adapter sleeve insert) uses a tapered adapter sleeve to clamp onto the shaft without direct contact from screws or collars. Tightening a lock nut compresses the sleeve onto the shaft, creating a concentric clamp without damaging the shaft surface. Common in applications where shaft damage from set screws is unacceptable, or where easy removal and reinstallation matter. Often specified on pump and fan applications. Example: UKP204 (two-bolt pillow block, 20mm bore, adapter sleeve).
SB (narrow inner ring insert) has a narrower profile than UC and is used in lighter-duty or space-constrained applications. Less common in general industrial work, but important to recognize when sourcing replacements.
Common sizes range from 201 to 218, covering shaft sizes from 12mm (or 1/2 inch) up to 90mm (or 3-1/2 inches).
If you see a part number starting with something other than UC, check the insert type before assuming it’s a direct swap. UC, UK, and SB inserts are not interchangeable even if the bore size matches.
Housing Material
Three materials cover the majority of applications.
Cast iron is the standard. It handles load, dissipates heat, and holds up in normal indoor industrial environments. Most general manufacturing, conveyor, and fan applications use cast iron housings.
Stainless steel is required in wash-down environments. Food processing, chemical handling, or any application where equipment is cleaned with caustic solutions. Cast iron will rust and seize in those conditions. Stainless isn’t an upgrade in those applications, it’s the minimum correct specification.
Thermoplastic is used in pharmaceutical, food preparation, bottling, and light-duty applications where corrosion resistance and reduced weight matter. Not a substitute for cast iron in heavy-load situations, but the right call in the right environment.
Material selection is driven by environment, not preference. Get the environment wrong and the housing fails regardless of everything else.
Housing Configurations
Pillow blocks aren’t one-size-fits-all in terms of form factor. The part number prefix identifies the insert type and housing style, and may also reflect configuration details like center height or locking method depending on the manufacturer. Prefix conventions vary slightly by manufacturer, but the patterns below reflect common industry usage.
UCP — Standard (high) center height — Set screw — Most common general-purpose pillow block
UCAK — Low center height — Set screw — Low-profile housing for tight clearances
UCTB — Standard center height — Set screw — Tapped base, bolts thread in from below
HCP — Standard (high) center height — Eccentric collar — Same housing as UCP, eccentric lock insert
HCAK — Low center height — Eccentric collar — Low-profile with eccentric locking
SBP — Standard center height — Set screw — Light-duty narrow insert
SAP — Standard center height — Eccentric collar — Light-duty narrow insert with eccentric lock
SBLP — Standard center height — Set screw — Narrow cast iron housing
Center height: standard vs. low. Center height is the distance from the bottom of the base to the centerline of the bore. Standard center height is the default. Low center height housings (UCAK, HCAK) reduce that dimension, which matters when shaft clearance is constrained or when a lower profile is needed to fit within an existing assembly. If you’re replacing a unit, measure the existing center height before ordering. A standard housing won’t drop in where a low center height housing was installed.
Reading the Part Number
Now that you understand the components, here’s how to decode the identifier.
Different manufacturers may use slightly different suffixes or character ordering, but the core structure is consistent across major brands. Take UCP205-16 as the example.
UCP205-16 — Insert type. UC designates a standard ball bearing insert with a wide inner ring. Other insert types include UK (adapter sleeve) and SB (narrow inner ring).
UCP205-16 — Housing style. P is a standard two-bolt pillow block. Other common styles include F (four-bolt flange), FL (oval two-bolt flange), and FB (four-bolt square flange).
UCP205-16 — Series and size. The first digit (2) is the series, which generally relates to the bearing’s load capacity and overall size class. Higher series numbers indicate heavier-duty units with larger housings and higher load ratings. The next two digits (05) are the size designation within that series.
UCP205-16 — Bore size in sixteenths of an inch. -16 equals a 1-inch bore. -20 equals 1-1/4 inch. Metric versions drop the dash suffix entirely and express the bore directly in the size code. UCP204 is a 20mm bore. UCP206 is a 30mm bore.
Some part numbers include an additional suffix that identifies the locking method. That’s covered in the locking section below.
If you can identify the insert type, housing style, series, and bore, you can match or source a replacement across most bearing brands. For example, UCF205 uses the same insert and size as UCP205 but in a four-bolt flange housing.


Sizing: Four Measurements
If you’re replacing an existing unit, take all four of these measurements before you call or order. Skipping one means a second trip. Start with bore size. If that’s wrong, nothing else matters.
Bore diameter. The inside diameter of the insert bearing, which must match the shaft. This is the UCP205-16 portion of the part number. A -16 is 1 inch. A -20 is 1-1/4 inch. Measure the shaft, not the old bearing bore, which may have worn slightly.
Base to center of bore (center height). The vertical distance from the bottom of the mounting base to the centerline of the shaft. Critical when you’re fitting into an existing frame or replacing in place. As noted above, standard and low center height versions are not interchangeable.
Bolt hole spacing. Measure the center-to-center distance between the two mounting holes. This must match the existing bolt pattern for a direct replacement.
Base dimensions. Overall footprint of the housing base. Confirms the replacement fits the mounting surface without interference.
Then confirm center height, followed by bolt spacing. If those three match, the base dimensions will typically align within standard tolerances.Example: UCP205-16
Bore (shaft diameter): 1 inch
Total height (base to top of housing, useful when overhead clearance is limited): 5-25/32 in.
Center height (base to shaft centerline): 1-7/16 in.
Total length (base footprint): 5-1/2 in.
These four measurements, combined with the part number, are enough to confirm a replacement across brands. Mounting dimensions are largely standardized, which allows interchange across major brands. However, internal bearing design, seals, and materials can vary, so performance is not identical across manufacturers.


Locking Methods
This is where a lot of orders go wrong. The insert bearing inside the housing is secured to the shaft by one of several methods. Two dominate: set screw and eccentric collar. The other two — concentric lock and tapered adapter sleeve — are less common but important to recognize, and they are not interchangeable. The locking method is part of the specification.
Set screw locking. A set screw locking insert has one or two cup-point set screws threaded through the inner ring of the bearing. Tightening the screws bites directly into the shaft surface and locks the bearing in place. Simple and widely used. The trade-off is that the set screws can mar the shaft surface, and if they back out under vibration, the bearing walks on the shaft.
In the part number, set screw inserts carry no additional suffix in the standard UC designation. UCP205-16 with no further designation is a set screw type.
Eccentric locking collar. An eccentric locking collar is a separate hardened collar that sits alongside the bearing inner ring. To lock it, rotate the collar in the same direction the shaft normally turns during operation until it cams tight against the inner ring, then secure the locking pin or set screw in the collar to hold position. This method distributes clamping force more evenly than a set screw and does not mar the shaft. If rotation direction is unknown, check wear patterns on the existing collar or confirm with equipment documentation before installation.
In the part number, eccentric collar inserts are designated with an E suffix on the insert: UCP205-16E or sometimes noted as an ER designation depending on the manufacturer.
Concentric locking collar. A concentric collar uses a radial clamping mechanism — typically one or more hex bolts — that tightens uniformly around the shaft. Unlike the eccentric collar, which cams in one direction, the concentric collar applies even pressure from all sides. This makes it better suited for applications with frequent direction changes or where vibration is a concern. Concentric collars are common on some agricultural and heavy-duty conveyor applications.
Tapered adapter sleeve. This is the locking method used with UK-series inserts. A tapered sleeve sits between the shaft and the bearing inner ring. Tightening a locknut compresses the sleeve onto the shaft, creating a tight concentric grip without any direct contact from screws or collars. The shaft stays unmarred, and the bearing can be removed and reinstalled cleanly. Adapter sleeve units are often specified on pumps, fans, and applications where shaft preservation and easy serviceability are priorities. In the part number, adapter sleeve bearings use a UK prefix on the insert: UKP204 instead of UCP204.
When ordering a replacement, confirm which locking method the existing bearing uses before specifying. If the shaft has visible set screw marks, it’s a set screw unit. If there’s a separate collar next to the bearing inner ring, it’s eccentric. Ordering the wrong type means the insert won’t secure correctly to the shaft. If the locking method doesn’t match, the bearing won’t stay fixed to the shaft regardless of size.
Installation Tips for Maximum Life
You can buy the most expensive bearing in the world, but if you install it poorly, it won't last. Here is a no-nonsense checklist for your maintenance team:
Check the surface. Ensure the mounting surface is flat. Bolting a pillow block to a warped plate puts unnecessary stress on the housing.
Don’t over-tighten set screws. Tighten them to the manufacturer’s spec. Over-tightening can distort the inner ring of the bearing.
Grease management. Most mounted bearings come pre-lubricated. Don’t pump them full of grease immediately unless the manual says so. Over-greasing can blow out the seals, allowing dirt and grit to enter.
Alignment is still key. Just because a bearing can self-align doesn’t mean it should work at an angle. Get the shaft as straight as possible to reduce heat.
The CST Advantage in Southern California
We are a family-owned business based in Santa Ana. We understand the local industrial landscape because we’ve been part of it for decades. We don’t just sell you a part; we provide the technical knowledge to make sure it’s the right part for your specific application. From military-grade reliability to local warehouse speed, we bridge the gap between massive manufacturers and the local shops that keep the world moving.


